螺旋板式的特點結構和工作原理
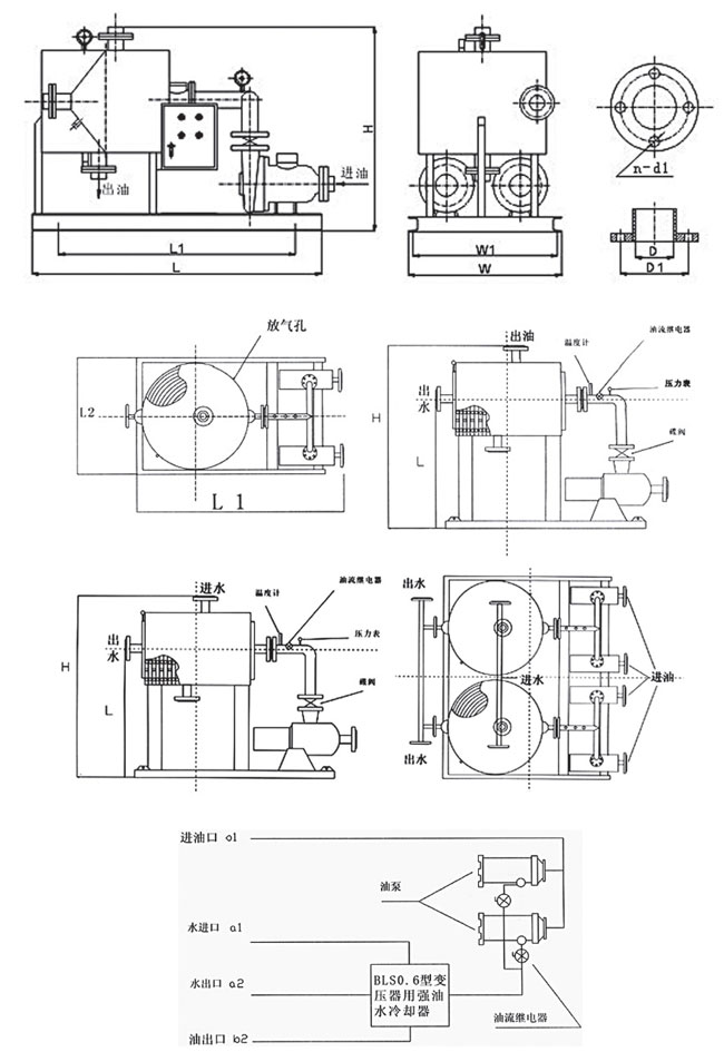
螺旋板式是一種新型的應用相當廣泛的熱交換設備,它具有傳熱效高、阻力損失小、操作穩定可靠、結構緊湊、價格便宜等一系列優點。我國自60年代后期開始研究制造并制定了相應的技術標準,在制造和使用上已積累了不少經驗,目前已廣泛應用在石油化工制冷、有機化工食品、染料制堿制藥、機械、冶金等工業部門,用作變壓器油冷卻器是國內首創已有近十年歷史,效果甚佳,螺旋板強油水冷卻器是由兩張厚度2~3mm卷板卷制成兩個均勻的螺旋通道的螺旋體。在兩螺旋通道的首尾兩頭即螺旋體的上下方和外緣切向方向上各焊上接管及法蘭,兩通道內分別有一種載熱體(油和水)呈全逆流狀態進行熱量交換。其冷卻面積為兩鋼板的展開長乘以鋼板寬之和。為了增強鋼板的剛度、提高螺旋體的臨界壓力,在兩張鋼板的同一相面上焊有一定密度的定距柱,這樣亦可增加流體的攏動性、增加雷諾數、提高傳熱效率。
由于螺旋通道曲率均勻通道中流體無大的換向、因而阻力較小且無死角。為了提高換熱效果筒長流體在通道中流速較大,可防止通道污垢,且通道本身有自潔作用,另外兩螺旋通道中還留有排氣(液)孔便于操作又可作取樣化驗之用。

一、BLS6型變壓器用強油水冷卻器系列主要參數以及安裝尺寸

例:BLS6-160為不可拆式螺旋板冷卻器材質為不銹鋼耐酸設計壓力為0.6Mpa,換熱面積為16m2(冷卻容量160)。
二、特點
1、傳熱效率高
總傳熱系數達3300KCal/m2.h.℃,傳熱效果優于YF(風冷)冷卻器和傳統的列管換熱器,是列管換熱器的1-3倍,從而節約了能源,具有良好的經濟性。
2、熱損失少
本油冷卻器機構緊湊,占地面積、外露表面積均小。若常溫流體從外邊緣通道流至油冷卻器中心,則無需保溫。
在出廠前,雖然變壓器油冷卻器都按企業專業標準進行嚴格檢驗,清理兩螺旋通道后,再進行氣壓試驗。但在現場安裝試車前,仍應注意對兩螺旋通道的清洗,尤其是變壓器油通道內不能有雜質和水份。然后,用變壓器油對油通道進行壓力試驗,并檢驗油樣的電氣強度,全部指標合格后才能將油冷卻器與變壓器本體連接起來。油冷卻器與變壓器的連接同列管式換熱器類似:換油從變壓器上部用油泵抽出,進入油冷卻器,然后經油箱下部流回變壓器,為監控變壓器的安全循環流動,油通道進出接管處都安裝了溫度計,油進口處安裝壓力表和油流繼電器??筛鶕脩粢?,使溫度計和壓力表做到現場和控制室同步監控,用戶在訂貨時根據需要向制造廠提出。
表一 BLS6型變壓器油冷卻器選型參考表
|
變壓器容量KVA
|
選用油冷卻器型號
(供參考)
|
油冷卻器
|
|
換熱面積m2
|
油流量m2/h
|
|
3000
|
BLS6-145
|
15
|
39
|
|
4000
|
BLS6-160
|
16
|
39
|
|
6000
|
BLS6-200
|
20
|
39
|
|
7000
|
BLS6-250
|
25
|
39
|
|
8000
|
BLS6-315
|
31.5
|
39
|
|
12500
|
BLS6-500
|
50
|
39
|
|
15000
|
BLS6-630
|
63
|
39
|
表二 BLS6型變壓器油冷卻器基本尺寸參考表
|
BLS6
|
換熱面積m2
|
額定冷卻功率KW
|
接管法蘭HG5010-58(平面)
|
H
|
L
|
L1
|
L2
|
D
|
|
高
|
法蘭
|
平面
|
|
A1a2
|
B1b2
|
cd
|
|
BLS6-100
|
10
|
100
|
80
|
80
|
|
600
|
1150
|
730
|
950
|
1100
|
|
BLS6-100
|
14.5
|
145
|
80
|
80
|
|
600
|
1150
|
730
|
950
|
1100
|
|
BLS6-100
|
16
|
160
|
80
|
80
|
|
600
|
1150
|
730
|
1100
|
1250
|
|
BLS6-100
|
20
|
200
|
80
|
80
|
|
600
|
1150
|
730
|
1300
|
1300
|
|
BLS6-100
|
25
|
250
|
80
|
80
|
|
600
|
1150
|
730
|
1400
|
1400
|
|
BLS6-100
|
31.5
|
315
|
80
|
80
|
|
750
|
1200
|
800
|
1200
|
1400
|
|
BLS6-100
|
40
|
400
|
80
|
80
|
|
750
|
1200
|
800
|
1300
|
1450
|
|
BLS6-100
|
50
|
500
|
80
|
80
|
|
750
|
1200
|
800
|
1450
|
1500
|
|
BLS6-100
|
63
|
630
|
80
|
80
|
|
1000
|
1350
|
950
|
1300
|
1400
|
|
BLS6-100
|
80
|
800
|
80
|
80
|
|
1000
|
1350
|
950
|
1500
|
1500
|

|